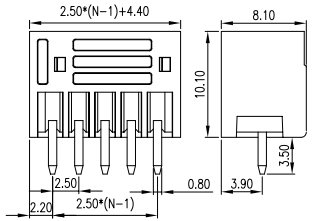
? Pitch:2.5mm,Electrical:UL,Rated Voltage:150V,Rated Current:5A,colour:green ;
? In order to meet the requirements of different application, we can offer the choices of horizontal, vertical , same direction wiring connection and etc ;
? The products are designed according to IEC60998 and UL1059 international standard and also certified by UL and TUV。
中文




