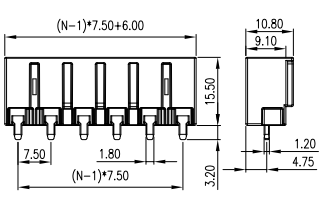
? Pitch:7.5mm,Electrical:UL,Rated Voltage:300V,Rated Current:25A,colour:black ;
? In order to meet the requirements of different application, we can offer the choices of horizontal, vertical , same direction wiring connection and etc ;
? The products are designed according to IEC60998 and UL1059 international standard and also certified by UL and TUV。
 
					
                 中文
中文 
				 
				 
				 
				 
				 
				





 
					 
							 
							