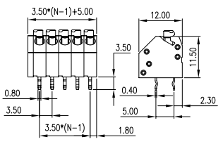
? Pitch:3.5mm,Electrical:UL,Rated Voltage:300V,Rated Current:8A,colour:grey ;
? Most spring PCB terminal blocks are assembled piece by piece ;
? The products are designed according to IEC60998 and UL1059 international standard and also certified by UL and TUV。
					
                
中文
				
				
				
				
				
				



					
							
							