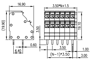
? Pitch:3.5mm,Electrical:UL,Rated Voltage:300V,Rated Current:9A,colour:black ;
? Most spring PCB terminal blocks are assembled piece by piece ;
? The products are designed according to IEC60998 and UL1059 international standard and also certified by UL and TUV。
 
					
                 中文
中文 
				 
				 
				 
				 
				 
				



 
					 
							 
							