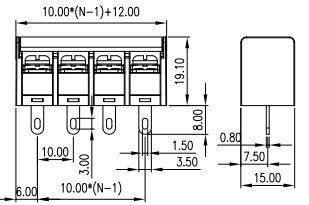
? Pitch:10.0mm,Electrical:UL,Rated Voltage:300V,Rated Current:20A,colour:black ;
? In order to meet the requirements of different application,With and without plastic cover are optional ;
? The products are designed according to IEC60998 and UL1059 international standard and also certified by UL。
中文




