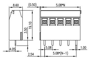
? Pitch:5.08mm,Electrical:UL,Rated Voltage:300V,Rated Current:13.5A,colour:green ;
? combined with single-layer, double-layer and three-layer designs, to diversify the selectivity of applications ;
? The products are designed according to IEC60998 and UL1059 international standard and also certified by UL and TUV。
中文




