? 間距:10.16mm,電氣性能:UL,額定電壓:300V,額定電流:60A,顏色:綠色 ;
? 配合單層、雙層和三層的設計,使應用的選擇性多樣化 ;
? 產品設計符合IEC60998、UL1059等國際標準并通過UL、TUV等認證。
+86-0512-5011 1150
+86-0512-5011 1150
info@ainewell.com
dgtju.cn
江蘇省昆山市開發區淀山湖新樂路75號
? 間距:10.16mm,電氣性能:UL,額定電壓:300V,額定電流:60A,顏色:綠色 ;
? 配合單層、雙層和三層的設計,使應用的選擇性多樣化 ;
? 產品設計符合IEC60998、UL1059等國際標準并通過UL、TUV等認證。
→ 間距:10.16mm
→ 電氣性能:UL
→ 額定電壓:300V
→ 額定電流:60A
→ 線徑范圍(AWG/mm2):20~6/0.5~16
→ 工作溫度范圍:-40℃~+105℃
→ 工頻耐電壓: AC3500V/1min
→ 剝線長度:10~11mm
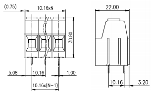
| 產品圖紙 | |
|---|---|
![]() |
| 材質與鍍層 | |
|---|---|
| 塑件 | PA66 ,UL94V-0 |
| 導電體 | 黃銅 ,鍍錫 |
| 緊固件、螺釘/彈片 | 磷?銅鍍鎳或不銹鋼 |
| 緊固件、方塊/螺母 | 鋼,鍍鋅 |
| 電氣特性 | UL | IEC |
|---|---|---|
| 定額電壓 | 300V | 1000V |
| 額定電流 | 60A | 65A |
| 工頻耐電壓 | AC3500V/1min | |
| 沖擊耐電壓 | 8KV | |
| 連接特性 | |
|---|---|
| 線徑范圍(AWG/mm2) | 20~6/0.5~16 |
| 剝線長度 | 10~11mm |
| 扭矩 | M4,1.2N.m |
| 工作溫度范圍 | -40℃~+105℃ |

| 訂貨號 | |
| 包裝單位 | |
| 最小訂貨量 | |
| 產品重量(不含包裝) |
+86-0512-5011 1150
+86-0512-5011 1150
info@ainewell.com
dgtju.cn
江蘇省昆山市開發區淀山湖新樂路75號