? 間距:7.62mm,電氣性能:UL,額定電壓:600V,額定電流:41A,顏色:綠色 ;
? 為了應用不同場合的使用需要,提供水平插頭、垂直插頭、與同方向進線插頭等選擇 ;
? 產品設計符合IEC60998、UL1059等國際標準并通過UL、TUV等認證。
+86-0512-5011 1150
+86-0512-5011 1150
info@ainewell.com
dgtju.cn
江蘇省昆山市開發區淀山湖新樂路75號
? 間距:7.62mm,電氣性能:UL,額定電壓:600V,額定電流:41A,顏色:綠色 ;
? 為了應用不同場合的使用需要,提供水平插頭、垂直插頭、與同方向進線插頭等選擇 ;
? 產品設計符合IEC60998、UL1059等國際標準并通過UL、TUV等認證。
→ 間距:7.62mm
→ 電氣性能:UL
→ 額定電壓:600V
→ 額定電流:41A
→ 線徑范圍(AWG/mm2):24-8/0.2-6
→ 工作溫度范圍:-40℃~+105℃
→ 工頻耐電壓: AC2500V/1min
→ 剝線長度:10mm
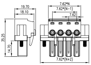
| 產品圖紙 | |
|---|---|
|  | 
| 材質與鍍層 | |
|---|---|
| 塑件 | PA66 UL94V-0 | 
| 導電體 | 銅合金,鍍錫 | 
| 緊固件、螺釘/彈片 | 鋼,鍍鋅 | 
| 緊固件、方塊/螺母 | 黃銅,鍍鎳 | 
| 電氣特性 | UL | IEC | 
|---|---|---|
| 定額電壓 | 600V | 1000V | 
| 額定電流 | 41A | 41A | 
| 工頻耐電壓 | AC2500V/1min | |
| 沖擊耐電壓 | 6KV | |
| 連接特性 | |
|---|---|
| 線徑范圍(AWG/mm2) | 24-8/0.2-6 | 
| 剝線長度 | 10mm | 
| 扭矩 | M3,0.5N.m | 
| 工作溫度范圍 | -40℃~+105℃ | 

| 訂貨號 | |
| 包裝單位 | |
| 最小訂貨量 | |
| 產品重量(不含包裝) | 
+86-0512-5011 1150
+86-0512-5011 1150
info@ainewell.com
dgtju.cn
江蘇省昆山市開發區淀山湖新樂路75號