? 間距:3.5mm,電氣性能:UL,額定電壓:300V,額定電流:9A,顏色:黑色 ;
? 大部分彈簧式接線端子都是以一片一片組合而成;
? 產品設計符合IEC60998、UL1059等國際標準并通過UL、TUV等認證。
+86-0512-5011 1150
+86-0512-5011 1150
info@ainewell.com
dgtju.cn
江蘇省昆山市開發區淀山湖新樂路75號
? 間距:3.5mm,電氣性能:UL,額定電壓:300V,額定電流:9A,顏色:黑色 ;
? 大部分彈簧式接線端子都是以一片一片組合而成;
? 產品設計符合IEC60998、UL1059等國際標準并通過UL、TUV等認證。
→ 間距:3.5mm
→ 電氣性能:UL
→ 額定電壓:300V
→ 額定電流:9A
→ 線徑范圍(AWG/mm2):26-16/0.2-1.5
→ 工作溫度范圍:-40℃~+105℃
→ 工頻耐電壓: AC1600V/1min
→ 剝線長度:9-10mm
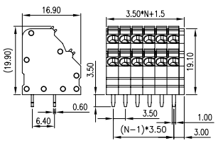
| 產品圖紙 | |
|---|---|
|  | 
| 材質與鍍層 | |
|---|---|
| 塑件 | PA66 UL94V-0 | 
| 導電體 | 銅合金,鍍錫 | 
| 緊固件、螺釘/彈片 | 鋼 | 
| 緊固件、方塊/螺母 | - | 
| 電氣特性 | UL | IEC | 
|---|---|---|
| 定額電壓 | 300V | 320V | 
| 額定電流 | 9A | 14A | 
| 工頻耐電壓 | AC1600V/1min | |
| 沖擊耐電壓 | 2.5KV | |
| 連接特性 | |
|---|---|
| 線徑范圍(AWG/mm2) | 22~16/0.2~1.5 | 
| 剝線長度 | 9-10mm | 
| 扭矩 | - | 
| 工作溫度范圍 | -40℃~+105℃ | 

| 訂貨號 | |
| 包裝單位 | |
| 最小訂貨量 | |
| 產品重量(不含包裝) | 
+86-0512-5011 1150
+86-0512-5011 1150
info@ainewell.com
dgtju.cn
江蘇省昆山市開發區淀山湖新樂路75號